雙托輥電子皮帶秤概述
雙托輥電子皮帶秤是一種先進的稱重設備,廣泛應用于礦山、電力、化工、冶金、建材、煤炭等行業中的物料稱重領域。它采用了先進的電子技術和傳感器技術,具有高精度、可靠性強、操作簡便等優點,在工業生產過程中扮演著重要的角色。
雙托輥電子皮帶秤組成結構
雙托輥電子皮帶秤主要由稱重傳感器、稱重電子儀表、皮帶、托輥等部分組成。其中,稱重傳感器是整個電子皮帶秤的核心部件,負責測量物料重量。稱重電子儀表則是實現重量計算和顯示的關鍵部分。皮帶是將物料從一處輸送到另一處的媒介,而托輥則支撐并保持皮帶的運行。
我公司生產TDG(BMP)-C型雙托輥電子皮帶秤,可以用于惡劣的工業環境場合,在需要準確測量連續運動的散料的流量,以求提高經濟效益的地方,都可以使用。
雙托輥電子皮帶秤特點
●安裝簡單,通過四個支撐螺釘固定在皮帶輸送機框架上。不必改動皮帶輸送機的框架,而安裝調整、移動方便。●秤體為一體化機架,長度僅為1米
●適用于長期可靠運行;運行中免維護,不磨損,精度高,使用可靠。
●無鉸鏈的不銹鋼板簧平行支撐.
●皮帶上的料載荷直接加到稱傳感器上(無杠桿比)
●流量范圍:5t/h~1500t/h
●秤量方式:雙托輥結構
●秤量精度:0.5%
雙托輥電子皮帶秤用途
雙托輥電子皮帶秤廣泛應用于各種物料的稱重和計量領域。
在礦山行業中,它可以用于測量輸送帶上的礦石、煤炭、礦砂等物料的重量,實現對物料的精確計量和管理。在電力行業中,它可以用于測量煤炭、燃料油等供給系統中的物料重量,確保供給系統的穩定運行。
在化工行業中,它可以用于測量液體、固體等物料的重量,確保生產過程中物料的準確投放和計量。
在冶金行業中,它可以用于測量鐵礦石、煤炭等原材料的重量,確保生產過程中原材料的準確供給和計量。
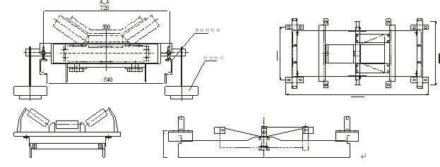
雙托輥電子皮帶秤尺寸安裝圖
適配皮帶機部分型號
其它標準和非標準帶式輸送機需要提供有關尺寸。







